个人如何加杠杆买股票基金呢-股票微信群诈骗又有新伎俩-【东方资本】,各银行信用卡免息期是多少天的 ,2020年信用卡免息期,在线炒股配资公司有哪些

RL8122交叉滾輪塞柱型

  • RL8122交叉滾輪塞柱型

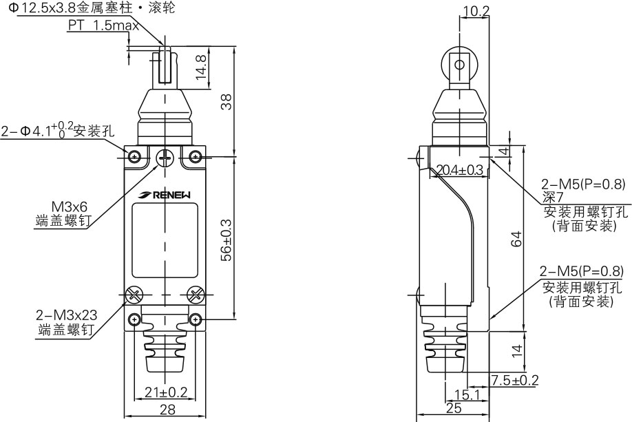
外形尺寸/動作性能

產品特點

1、結構緊湊、體積約為普通行程開關的1/3

image.png

2、全開啟接線結構,使布線作業更加方便

一拆下端蓋,端子部位完全暴露,省去了將手指插入孔中接線的麻煩。產品雖小但接線空間卻很大,端子是呈階梯狀設置的,能簡單進行接線操作。將電線直接用螺釘擰緊或使用U型或圓形壓接端子進行接線。

image.png

3、可定制鍍金觸點型

◎內置的開關采用了接觸性能優良的觸點和橫桿動作的接觸方式,而且經計算機進行模擬運動解析,確保動作的可靠性。尤其是可為客戶定制觸點鍍金設計型,使開關更適合低電平、小振動的電路。

4、防塵、防水、耐油結構

◎機芯與罩殼采用橡膠密封墊圈,軟線引出部分采用橡膠尾塞(軟性密封)結構。

◎所有機型的傳動部分都有橡膠套與O形圈進行密封。

請注意:請勿在水中、油中或經常淋到水、

油的地方使用。

5、已通過cCC認證

產品用途

◎工廠通用設備:工程機械、傳送機械、裝配線、注塑機、機床設備等。

特性

觸點規格觸點排列雙電路雙斷型(1a1b)
接觸電阻(初始值)15mΩ以下(在6至8V電壓,額定電流下)
觸點材料銀合金觸點(微小負載的情況下可定制鍍金觸點型)
電氣性能絕緣電阻(初始值100MΩ以上(在DC500V絕緣電阻時測得)
耐電壓性能非連接端子之間(初始值):1.000V 50/60Hz 1分鐘
無電壓金屬件與各端子之間,接地與各端子之間:2000V 50/60Hz 1分鐘
機械性能耐沖擊性自由狀態下98m/s2(10G)以下
滿負荷狀態下294m/s2(30G)以下
耐振動能力雙振幅1.5mm 10~55Hz
壽命機械壽命1.000萬次以上(通斷頻率120次/分鐘)
電氣壽命(阻性負載)30萬次以上(額定負載)、電磁接觸器FC-100(AC200V)負載:500萬次以上
使用條件環境溫度/環境濕度-20℃ ~+60℃/95%RH以下(+5~20℃左右)
最大通斷頻率120次/分鐘

EN60947-5-1(GB14048.5)特性

項目內容
額定絕緣耐壓(Ui)250VAC
額定耐沖擊電壓(Uimp)2.5Kv
換向電壓2.5Kv
額定發熱電流(Ithe)5A
限制短路電流100A
短路保護器10A保險絲
防護等級lP64
污染等級3

規格

負載
額定控制電壓
阻性負載
感性負載
AC125V5A3A
AC250V5A2A
DC125V0.4A0.1A

防護特性

防護結構RL8微型限位開關
IEC標準Jls
lP60防塵型o
IP64防濺型o
抗油型o

安裝方法

image.png

工作特性

項目特性
動作壓力(OF)最大(N{gf } )8.83{ 900 }
復位力(RF)最小(N{gf})1.47 { 150}
預行程(PT) 最大(mm)1.5
差程(MD) 最大(mm)0.7
超程(OT) 最小(mm)4
總行程(TT)(mm)5.5

尺寸圖

8122詳情.jpg

4008-266-288
Email: cnrenew@renew-cn.com
ONLINE MESSAGE