1、長壽命
采用高效率的彈簧結構設計,機械壽命為1000萬次以上。
2、機械強度高、小巧、輕便
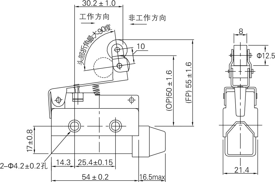
安裝孔間距為25.4mm,與RZ型微動開關相同。

外殼采用有良好機械特性的塑膠材料制成,能耐受較大的沖擊。
3、防塵和耐油的結構設計
◎開關主體用被壓縮的橡膠圈進行密封,可保持IP64的密封等級。
◎可定制端子部分用環氧樹脂進行密封的產品,但引出導線要先選定。

4、對于較大的超行程有良好的緩沖、減震作用。
5、已通過CCC認證。
◆用途
食品機械、自動包裝機、機床設備、輸送機械、自動生產線控制、對防護要求嚴格的輕工業機械等。

| 負載類型 額定控制電壓 | 阻性負載 | 感性負載 | 電動機或燈負載 | |
| 常閉觸點 | 常開觸點 | |||
| AC125V | 10A | 6A | 3A | 1.5A |
| AC250V | 10A | 4A | 1.5A | 1A |
| AC250V | 0.4A | 0.05A | - | - |
| 防護結構 | |
| IEC標準 | JIS |
| IP60 | 防塵型 |
| lP64 | 防濺型 |
| 抗油型 | |
| 額定工作電流 | 10A125V,250VAC;0.4A 125VDC(阻性負載) | ||
| 觸點規格 | 接觸電阻(初始值) | 15mΩ以下(不含銅線電阻) | |
| 觸點材料 | 銀氧化鎘觸點(如需不含鎘的材料「符合ROHS指令]可定制 | ||
| 電氣性能 | 絕緣電阻(初始值) | 10OMΩ以上(用DC500V絕緣電阻儀檢測) | |
| 耐擊穿電壓 | 在非連接端子之間(初始值):1,500V 50/60Hz 1分鐘, 在無電壓金屬件與各端子之間:2,000V 50/60Hz 1分鐘, 在接地與各端子之間:2,000v 50/60Hz 1分鐘 | ||
| 機械性能 | 耐沖擊性 | 自由狀態 | 98m/s2(10G)以下 |
| 滿負荷狀態下 | 294m/s2(30G)以下 | ||
| 耐振動性 | 雙振幅1.5mm 10~55Hz(觸點開離為1ms以下) | ||
| 壽命 | 機械壽命(規定超程OT) | 1.000萬次以上(通斷頻率50次/分鐘) | |
| 電氣壽命(阻性負載) | 20萬次以上(通斷頻率20次/分鐘) | ||
| 使用條件 | 環境溫度/環境濕度 | -20℃~ +60℃(應無結冰、凝露)/95%RH以下l+5~20℃左右) | |
| 最大通斷頻率 | 120次/分鐘 | ||
| 項目 | 內容 |
| 額定絕緣電壓(Ui) | 250VAC |
| 額定沖擊耐受電壓(Uimp) | 2.5Kv |
| 通斷操作過電壓 | 2.5Kv |
| 約定封閉發熱電流(Ithe) | 10A |
| 額定限制短路電流 | 100A |
| 短路保護器 | 10A保險絲 |
| 防護等級 | lP64 |
| 污染等級 | 3 |
| 項目 | 特性 |
| 動作壓力(OF)最大 | 2.75N[ 280gf ] |
| 復位力(RF)最小 | 0.98N [100gf ] |
| 預行程(PT)最大 | 6.5mm |
| 差程(MD)最大 | 1.5mm |
| 超程(OT)最小 | 2.0mm |
| 動作位置(OP) | 50±1.6mm |
