个人如何加杠杆买股票基金呢-股票微信群诈骗又有新伎俩-【东方资本】,各银行信用卡免息期是多少天的 ,2020年信用卡免息期,在线炒股配资公司有哪些

RV-16-1C25 按鈕型微動開關

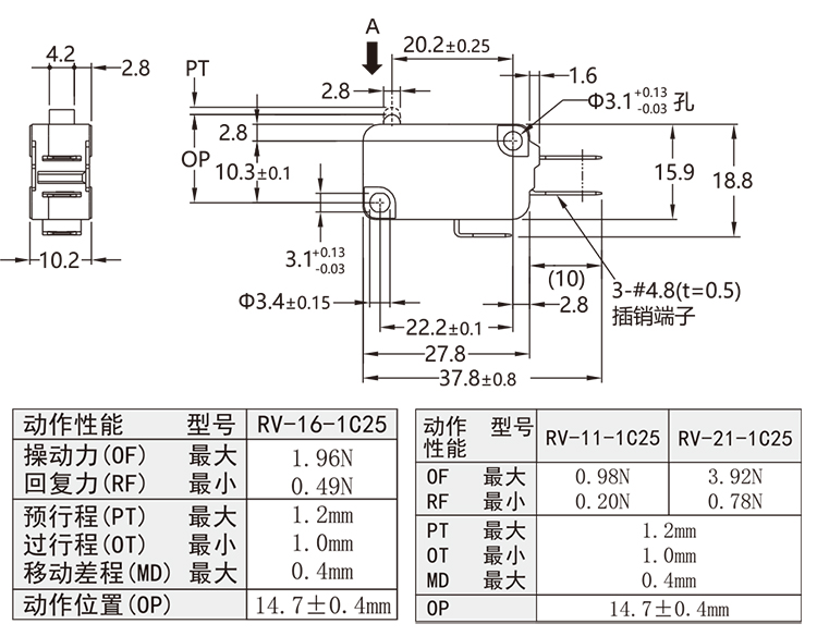
RV-16-1C25

  • RV-16-1C25 按鈕型微動開關

外形尺寸/動作性能

未標題-1.jpg

圖片、圖紙展示的是當開關為#4.8插銷端子(C2)時的情況,另有#6.3插銷端子(C)和#4.8焊接/插銷共用端子(A),

只是端子部分的尺寸不同,其他外形尺寸相同詳見"■端子的種類/外形尺寸"。另外不同額定電流規格和操動力的配置組合見"■規格組合"

產品特點

追求可靠性、安全性、經濟性、暢銷不衰的小型微動開關。

常用規格為16A到21A,可定制更大電流規格的開關,微小負載請選用RVX型。

該系列開關傳動形式極其豐富,還可根據用戶的要求定制特殊的傳動方式。

可根據用戶的要求定制特殊操動力(0F)的開關。

已獲產品認證:CCC、CE、UL/CUL、VDE。

產品符合ROHS指令要求。

產品性能

                          型號
項 目
RV-11RV-16RV-21
允許操作速度0.01mm~1m/s (為按鈕型時)
允許操作
頻 率
機械600次/min(為按鈕型時)
電氣60次/min
絕緣電阻100MΩ以下(DC500V絕緣電阻儀)
接觸電阻15mΩ以下(初始值)
耐壓*1同極端子之間AC1,000V 50/60Hz 1min
帶電金屬部件與地線之間AC1,50050/60Hz lminAC2,00050/60Hz lmin
各端子與不帶電金屬
部件之間
振動*2誤動作頻率10~55Hz  雙振幅1.5mm
沖擊*2耐久最大1,000m/s2
誤動作最大200m/s2最大300m/s2
壽命*3機械5,000萬次以上(60次/min)
電氣30萬次以上(30次/min)10萬次以上(30次/min)
保護結構IEC IP40
觸電保護級Class I
PTI(漏電特性)175
使用環境溫度-25~+80℃(耐熱型: -25~+150℃)60%RH以下(無結冰、無凝露)
使用環境濕度80%RH以下(+5~+35℃時)
重量約6.5g(為按鈕型時)

注:上述值為初始值。

*1.耐電壓為使用了隔板時的數值;

*2.在按鈕型中為自由位置和動作限制位置的數值,杠桿型時是動作限制位置上的數值,觸點的閉路或開路在1ms以內。

*3.關于試驗條件請咨詢本公司。

規格組合

0d4edfbd-c495-4536-87a4-9b7ca8ed3d15 拷貝.png

接觸規格

RV 樣本冊 - 2024.4.7-4.jpg

額定值及觸點規格

RV-樣本冊---2024.4.jpg


安裝孔加工尺寸

RV-樣本冊---2024.43.jpg

型號標準

未標題-2.jpg

端子的種類

RV 樣本冊 - 2024.4.7-6.jpg

注意事項

RV-樣本冊---2024.4.jpg

RV-樣本冊---20244.jpg

RV-樣本冊---2024.4.jpg

4008-266-288
Email: cnrenew@renew-cn.com
ONLINE MESSAGE