
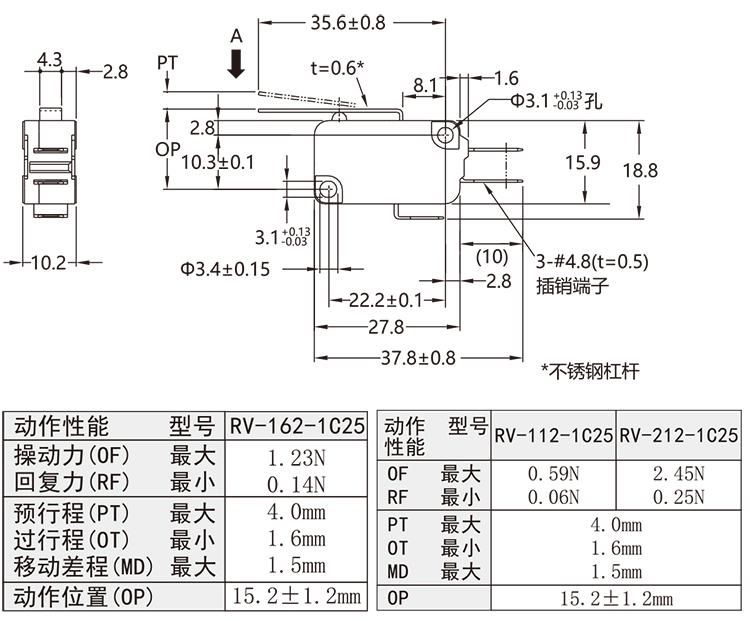
圖片、圖紙展示的是當開關為#4.8插銷端子(C2)時的情況,另有#6.3插銷端子(C)和#4.8焊接/插銷共用端子(A),
只是端子部分的尺寸不同,其他外形尺寸相同詳見"■端子的種類/外形尺寸"。另外不同額定電流規格和操動力的配置組合見"■規格組合"
追求可靠性、安全性、經濟性、暢銷不衰的小型微動開關。
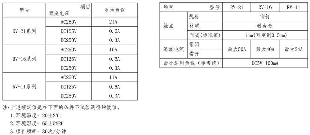
常用規格為16A到21A,可定制更大電流規格的開關,微小負載請選用RVX型。
該系列開關傳動形式極其豐富,還可根據用戶的要求定制特殊的傳動方式。
可根據用戶的要求定制特殊操動力(0F)的開關。
已獲產品認證:CCC、CE、UL/CUL、VDE。
產品符合ROHS指令要求。
| 型號 項 目 | RV-11 | RV-16 | RV-21 | |||||||||
| 允許操作速度 | 0.01mm~1m/s (為按鈕型時) | |||||||||||
| 允許操作 頻 率 | 機械 | 600次/min(為按鈕型時) | ||||||||||
| 電氣 | 60次/min | |||||||||||
| 絕緣電阻 | 100MΩ以下(DC500V絕緣電阻儀) | |||||||||||
| 接觸電阻 | 15mΩ以下(初始值) | |||||||||||
| 耐壓*1 | 同極端子之間 | AC1,000V 50/60Hz 1min | ||||||||||
| 帶電金屬部件與地線之間 | AC1,50050/60Hz lmin | AC2,00050/60Hz lmin | ||||||||||
| 各端子與不帶電金屬 部件之間 | ||||||||||||
| 振動*2 | 誤動作 | 頻率10~55Hz 雙振幅1.5mm | ||||||||||
| 沖擊*2 | 耐久 | 最大1,000m/s2 | ||||||||||
| 誤動作 | 最大200m/s2 | 最大300m/s2 | ||||||||||
| 壽命*3 | 機械 | 5,000萬次以上(60次/min) | ||||||||||
| 電氣 | 30萬次以上(30次/min) | 10萬次以上(30次/min) | ||||||||||
| 保護結構 | IEC IP40 | |||||||||||
| 觸電保護級 | Class I | |||||||||||
| PTI(漏電特性) | 175 | |||||||||||
| 使用環境溫度 | -25~+80℃(耐熱型: -25~+150℃)60%RH以下(無結冰、無凝露) | |||||||||||
| 使用環境濕度 | 80%RH以下(+5~+35℃時) | |||||||||||
| 重量 | 約6.5g(為按鈕型時) | |||||||||||
注:上述值為初始值。
*1.耐電壓為使用了隔板時的數值;
*2.在按鈕型中為自由位置和動作限制位置的數值,杠桿型時是動作限制位置上的數值,觸點的閉路或開路在1ms以內。
*3.關于試驗條件請咨詢本公司。








